Việc nắm vững cách mắc mạch điện song song là kiến thức nền tảng quan trọng trong lĩnh vực điện dân dụng và công nghiệp. Mạch điện song song giúp các thiết bị hoạt động độc lập, đảm bảo tính ổn định và linh hoạt cho toàn bộ hệ thống. Bài viết này cung cấp hướng dẫn chi tiết, từ định nghĩa, công thức tính dòng điện, đến các bước lắp đặt chuẩn kỹ thuật. Hiểu rõ về điện áp và tổng trở trong mạch song song sẽ giúp bạn tự tin lắp đặt, sửa chữa các thiết bị điện một cách chính xác và an toàn. Đây là kỹ năng ứng dụng thực tiễn không thể thiếu trong mọi công trình.
Hiểu Rõ Định Nghĩa Mạch Điện Song Song
Mạch điện song song là một phương pháp đấu nối phổ biến. Đây là kiểu kết nối các linh kiện điện với hai điểm chung. Tất cả các thành phần trong mạch đều chia sẻ cùng một điện áp đặt vào. Điều này khác biệt hoàn toàn với mạch nối tiếp.
Cấu Tạo Cơ Bản Của Mạch Điện Song Song
Mạch song song có các thành phần được mắc song song với nhau. Dòng điện từ nguồn sẽ chia thành nhiều nhánh nhỏ. Mỗi nhánh này đi qua một thành phần riêng biệt. Các điểm đầu của linh kiện được nối vào một cực của nguồn. Tương tự, các điểm cuối được nối vào cực còn lại của nguồn.
Mô hình minh họa cách mắc mạch điện song song và nối tiếp cơ bản
Mô hình minh họa cách mắc mạch điện song song và nối tiếp cơ bản
Các Đại Lượng Điện Trong Mạch Song Song
Điện áp (U) là đại lượng không đổi trên mọi nhánh rẽ. Tất cả các thiết bị đều nhận cùng một giá trị điện áp. Đây là nguyên lý cốt lõi khi thiết kế mạch điện song song. Điện áp bằng với điện áp của nguồn cấp.
Tổng dòng điện (I) trong mạch bằng tổng các dòng điện rẽ nhánh. Dòng điện sẽ được chia ra tỷ lệ nghịch với điện trở của từng nhánh. Công thức này giúp tính toán chính xác mức tiêu thụ điện. Sự phân chia dòng điện đảm bảo mỗi thiết bị nhận đủ năng lượng.
Tổng trở tương đương (Rtd) của mạch song song luôn nhỏ hơn điện trở thành phần nhỏ nhất. Công thức tính tổng trở là nghịch đảo của tổng nghịch đảo các điện trở. Việc này giúp giảm tổng trở của cả hệ thống. Tổng trở thấp cho phép dòng điện lớn hơn chảy qua.
Ưu Điểm Vượt Trội Của Cách Mắc Mạch Điện Song Song
Việc áp dụng cách mắc mạch điện song song mang lại nhiều lợi ích. Lợi ích lớn nhất là tính độc lập trong vận hành. Mỗi thiết bị hoạt động mà không phụ thuộc vào thiết bị khác. Đây là lý do nó được dùng rộng rãi.
Đảm Bảo Sự Vận Hành Độc Lập
Khi một thiết bị gặp sự cố hoặc bị hỏng, các thiết bị còn lại vẫn hoạt động bình thường. Ví dụ, một bóng đèn cháy sẽ không làm tắt cả hệ thống. Tính năng này giúp duy trì hoạt động ổn định. Nó là yếu tố then chốt trong hệ thống điện gia đình.
Cung Cấp Điện Áp Ổn Định
Tất cả các thiết bị trong mạch đều nhận được điện áp bằng với điện áp nguồn. Điều này rất quan trọng với các thiết bị yêu cầu điện áp danh định chính xác. Sự ổn định giúp thiết bị hoạt động đúng công suất thiết kế. Nó cũng kéo dài tuổi thọ của các linh kiện.
Dễ Dàng Mở Rộng Hệ Thống
Mạch song song cho phép lắp thêm các thiết bị mới một cách đơn giản. Chỉ cần đấu nối thiết bị mới vào hai điểm chung của mạch. Việc này không làm thay đổi điện áp cung cấp cho các thiết bị cũ. Khả năng mở rộng linh hoạt là ưu thế lớn.
Hướng Dẫn Chi Tiết Cách Mắc Mạch Điện Song Song
Thực hiện cách mắc mạch điện song song đòi hỏi sự cẩn thận và tuân thủ quy tắc. Hướng dẫn này sẽ tập trung vào việc đấu nối bóng đèn. Quy trình này có thể áp dụng cho nhiều loại thiết bị khác.
Chuẩn Bị Dụng Cụ Và Vật Tư
Trước khi thực hiện, cần chuẩn bị đầy đủ vật tư an toàn. Các dụng cụ cần có gồm kìm cắt, kìm tuốt dây, tua vít, và bút thử điện. Vật tư bao gồm dây điện, công tắc hai cực, và các bóng đèn. Nguồn điện sử dụng trong hướng dẫn này là 220V.
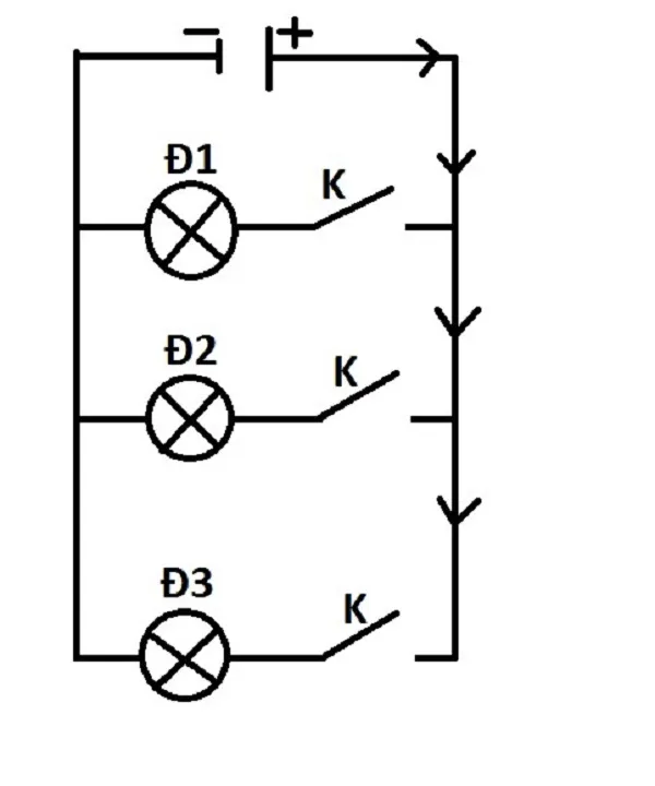
Sơ đồ cách mắc mạch điện song song chi tiết cho hệ thống bóng đèn
Sơ đồ cách mắc mạch điện song song chi tiết cho hệ thống bóng đèn
Quy Trình Đấu Nối Chuẩn Kỹ Thuật
Bước 1: Đấu Nối Công Tắc Với Dây Nóng
Dây nóng (thường là dây màu đỏ hoặc nâu) sẽ được cấp vào một chân của công tắc. Công tắc này có tác dụng kiểm soát bật tắt cả hệ thống đèn. Đảm bảo kết nối chắc chắn và cách điện tốt. Đây là bước đầu tiên để kiểm soát nguồn điện.
Bước 2: Phân Chia Dây Nóng Đến Các Bóng Đèn
Chân còn lại của công tắc sẽ đấu nối với chân đầu tiên của tất cả các bóng đèn. Dây nóng sẽ chạy song song tới chân đèn 1, chân đèn 2, và chân đèn 3. Các điểm đấu nối phải được thực hiện gọn gàng. Sử dụng cầu đấu (terminal block) để kết nối chuyên nghiệp hơn.
Bước 3: Đấu Nối Dây Nguội Vào Các Bóng Đèn
Dây nguội (thường là dây màu xanh dương hoặc đen) sẽ lần lượt đấu vào chân còn lại của các bóng đèn. Dây nguội này cũng được đấu song song với nhau. Dây nguội cấp vào chân còn lại của đèn 1, đèn 2, và đèn 3.
Bước 4: Kiểm Tra Toàn Bộ Mạch Điện
Sau khi hoàn tất, kiểm tra lại tất cả các mối nối. Đảm bảo không có dây nóng và dây nguội chạm vào nhau. Kiểm tra cách điện ở các mối nối cẩn thận. Sử dụng bút thử điện để xác nhận dây nóng và dây nguội đúng vị trí.
Kiểm Tra Độ An Toàn Của Mạch Sau Khi Lắp Đặt
Trước khi cấp điện, hãy kiểm tra lại bằng đồng hồ đo điện trở. Đảm bảo không có hiện tượng đoản mạch xảy ra. Bật công tắc để kiểm tra chức năng. Tất cả các bóng đèn phải sáng cùng lúc. Thử tháo một bóng đèn ra; các bóng còn lại vẫn phải sáng.
Ứng Dụng Thực Tế Của Mạch Điện Song Song Trong Đời Sống
Cách mắc mạch điện song song là kiểu đấu nối phổ biến nhất. Nó hiện diện trong hầu hết các hệ thống điện dân dụng và công nghiệp. Hiểu rõ ứng dụng giúp tăng cường chuyên môn trong việc lắp đặt.
Hệ Thống Điện Gia Đình
Mọi ổ cắm và thiết bị điện trong nhà đều được đấu song song. Việc này đảm bảo mỗi thiết bị nhận đủ 220V. Máy lạnh, tủ lạnh hay tivi đều hoạt động độc lập. Khi một thiết bị bị hỏng, cầu chì riêng của nó sẽ ngắt mà không ảnh hưởng toàn nhà.
Lắp Đặt Hệ Thống Chiếu Sáng
Đèn trần, đèn chùm và đèn trang trí thường dùng mạch song song. Việc này cho phép tháo lắp hay thay thế từng bóng dễ dàng. Trong hệ thống đèn đường, đèn được đấu song song. Nếu một bóng đèn đường bị cháy, các bóng còn lại vẫn chiếu sáng.
Pin Và Nguồn Điện
Trong các ứng dụng pin, đấu song song giúp tăng cường dung lượng (Ah). Điện áp đầu ra vẫn được giữ nguyên. Điều này quan trọng trong xe điện hoặc bộ lưu điện (UPS). Các cục pin cung cấp dòng điện lớn hơn cho tải.
So Sánh Nhanh: Mạch Song Song Và Mạch Nối Tiếp
Để thấy rõ giá trị của cách mắc mạch điện song song, cần so sánh nó với mạch nối tiếp. Hai kiểu mạch này có nguyên lý và ứng dụng hoàn toàn khác nhau. Sự khác biệt này là nền tảng của kỹ thuật điện.
Đồ họa so sánh sự khác biệt khi mắc mạch điện song song và nối tiếp
Đồ họa so sánh sự khác biệt khi mắc mạch điện song song và nối tiếp
Khác Biệt Về Điện Áp Và Dòng Điện
Trong mạch song song, điện áp không đổi trên các nhánh rẽ. Dòng điện sẽ chia theo tỷ lệ điện trở. Ngược lại, mạch nối tiếp có dòng điện không đổi. Điện áp sẽ chia cho các thành phần theo tỷ lệ điện trở. Đây là điểm khác biệt cơ bản nhất.
Khác Biệt Về Độ Tin Cậy Của Hệ Thống
Mạch song song có độ tin cậy cao hơn cho hệ thống tổng thể. Sự cố ở một thành phần không làm gián đoạn cả mạch. Đối với mạch nối tiếp, nếu một thành phần hỏng (mở mạch), toàn bộ dòng điện sẽ bị ngắt. Ví dụ điển hình là dây đèn trang trí cũ.
Khác Biệt Về Tổng Trở
Tổng trở tương đương của mạch song song luôn nhỏ hơn. Điều này là do có nhiều đường đi cho dòng điện. Tổng trở của mạch nối tiếp là tổng các điện trở. Nó luôn lớn hơn điện trở thành phần lớn nhất.
Phân Tích Chuyên Sâu Các Yếu Tố Kỹ Thuật Khi Mắc Song Song
Việc nắm vững các yếu tố kỹ thuật giúp tối ưu hóa hiệu suất mạch. Nó cũng đảm bảo tuân thủ các quy tắc an toàn. Các chuyên gia cần tính toán chính xác trước khi lắp đặt.
Tính Toán Công Suất Tải
Khi mắc song song, tổng công suất tiêu thụ bằng tổng công suất của từng thiết bị. Cần đảm bảo dây dẫn và nguồn cấp chịu được tổng công suất này. Tính toán công suất giúp chọn dây dẫn có tiết diện phù hợp. Quá tải có thể gây cháy nổ nguy hiểm.
Lựa Chọn Dây Dẫn Phù Hợp
Do dòng điện tổng trong mạch song song lớn hơn nhiều so với từng nhánh, cần chọn dây dẫn chính có tiết diện lớn. Dây dẫn rẽ nhánh có thể nhỏ hơn. Tiết diện dây phải tỷ lệ thuận với dòng điện tải. Việc này ngăn ngừa hiện tượng quá nhiệt.
Vấn Đề Về Độ Phân Nhánh
Mặc dù linh hoạt, việc phân nhánh quá nhiều có thể gây sụt áp ở các nhánh xa. Chiều dài dây dẫn cũng ảnh hưởng đến điện trở. Cần bố trí các nhánh rẽ cân bằng và ngắn nhất có thể. Điều này giúp đảm bảo điện áp đồng đều.
Những Lưu Ý Quan Trọng Khi Lắp Đặt Mạch Điện Song Song An Toàn
An toàn điện luôn là ưu tiên hàng đầu trong mọi công việc. Thực hiện cách mắc mạch điện song song phải tuân thủ nghiêm ngặt các quy tắc. Tuyệt đối không được chủ quan.
Ngắt Nguồn Điện Tuyệt Đối
Trước khi bắt đầu bất kỳ thao tác đấu nối nào, phải ngắt cầu dao tổng. Sử dụng bút thử điện để kiểm tra lại nguồn điện đã ngắt hay chưa. Đây là nguyên tắc vàng không thể bỏ qua. Việc này giúp tránh bị điện giật.
Sử Dụng Thiết Bị Bảo Vệ
Luôn lắp đặt cầu chì hoặc aptomat (CB) cho mạch điện. Thiết bị này sẽ ngắt mạch khi xảy ra quá tải hoặc ngắn mạch. Đây là lớp bảo vệ thiết yếu cho cả hệ thống và người dùng. CB phải có định mức phù hợp với tổng dòng tải.
Đảm Bảo Cách Điện Hoàn Hảo
Tất cả các mối nối và dây dẫn trần phải được cách điện bằng băng keo chuyên dụng. Cách điện kém là nguyên nhân hàng đầu gây cháy. Kiểm tra kỹ lưỡng các điểm nối trong hộp đấu nối. Không để các dây trần tiếp xúc với vỏ kim loại.
Kiểm Tra Tính Đồng Bộ Của Thiết Bị
Khi đấu nối các thiết bị khác loại, đảm bảo chúng có cùng điện áp danh định. Đấu nối thiết bị điện áp thấp vào mạch 220V sẽ gây cháy nổ. Chỉ sử dụng các linh kiện điện chất lượng cao.
Thiết bị và linh kiện điện cần thiết để thực hiện cách mắc mạch điện song song
Thiết bị và linh kiện điện cần thiết để thực hiện cách mắc mạch điện song song
Tuân Thủ Tiêu Chuẩn Kỹ Thuật
Thực hiện đấu nối theo đúng sơ đồ và tiêu chuẩn ngành điện. Không tự ý thay đổi tiết diện dây dẫn một cách tùy tiện. Nếu không chắc chắn, hãy tìm đến sự hỗ trợ của thợ điện chuyên nghiệp. Đảm bảo mạch điện đáp ứng yêu cầu kỹ thuật.
Việc nắm vững cách mắc mạch điện song song giúp bạn chủ động trong việc quản lý hệ thống điện. Mạch song song đảm bảo các thiết bị hoạt động độc lập, duy trì điện áp ổn định, và linh hoạt trong mở rộng. Quy trình từ chuẩn bị vật tư, đấu nối dây nóng, đến kiểm tra an toàn sau lắp đặt đều cần sự tỉ mỉ. Đây là kiến thức nền tảng thiết yếu để xây dựng một mạng lưới điện gia đình an toàn và hiệu quả, từ đó tối ưu hóa điện áp và dòng điện cho mọi thiết bị.
Ngày cập nhật 20/12/2025 by Nguyễn Nghĩa
