Trong thế giới kỹ thuật điện và điện tử, việc nắm vững các định luật cơ bản của mạch điện là bước khởi đầu không thể thiếu. Những nguyên lý nền tảng này cung cấp khuôn khổ để hiểu và dự đoán hành vi của dòng điện, điện áp và điện trở. Bài viết này đi sâu vào Định luật Ohm và hai Định luật Kirchhoff, làm rõ nguyên tắc phân tích mạch điện, ý nghĩa vật lý đằng sau nguyên lý bảo toàn, và vai trò then chốt của chúng trong kỹ thuật điện tử hiện đại. Việc áp dụng thành thạo những công thức toán học này là điều kiện tiên quyết để làm chủ mọi phương pháp giải mạch phức tạp.
I. Tầm Quan Trọng Của Nền Tảng Lý Thuyết Mạch Điện
Lý thuyết mạch điện là xương sống của mọi hệ thống điện tử và điện lực. Sự hiểu biết sâu sắc về các định luật cơ bản giúp kỹ sư chuyển đổi ý tưởng thiết kế thành sản phẩm hoạt động. Nó không chỉ là việc áp dụng công thức một cách máy móc mà còn là khả năng tư duy hệ thống về sự phân bố năng lượng và điện tích.
1. Nền Tảng Cho Sự Đổi Mới Và Phát Triển
Mọi đột phá trong công nghệ, từ vi xử lý đến hệ thống lưới điện thông minh, đều xây dựng trên nền tảng của các định luật mạch điện. Chúng cung cấp ngôn ngữ chung để mô tả và phân tích các hiện tượng vật lý. Sự hiểu biết vững vàng giúp kỹ sư tối ưu hóa hiệu suất và đảm bảo độ tin cậy của thiết kế. Nếu không có các định luật này, việc thiết kế một bộ nguồn đơn giản cũng trở nên thiếu căn cứ khoa học.
2. Nguyên Tắc Bảo Toàn Năng Lượng Và Điện Tích
Hai định luật Kirchhoff không chỉ là công cụ tính toán mà còn là minh chứng cho hai nguyên tắc vật lý cơ bản: bảo toàn điện tích và bảo toàn năng lượng. KCL đảm bảo rằng điện tích không bị mất đi hay tạo ra tại bất kỳ nút nào. KVL khẳng định năng lượng mà điện tích nhận được từ nguồn phải được tiêu tán hoặc lưu trữ trong các thành phần khác. Việc tuân thủ nghiêm ngặt các nguyên tắc này là cốt lõi để xây dựng hệ thống điện an toàn và bền vững.
II. Định Luật Ohm: Mối Quan Hệ Căn Bản Của Mạch Điện
Định luật Ohm, được công bố bởi Georg Simon Ohm vào năm 1827, là nguyên lý cơ bản nhất, mô tả mối quan hệ tuyến tính giữa điện áp, dòng điện và điện trở. Nó được áp dụng rộng rãi cho các thành phần tuyến tính, nơi điện trở R là hằng số không phụ thuộc vào điện áp V hay dòng điện I.
1. Công Thức Và Ý Nghĩa Vật Lý
Công thức nổi tiếng của Định luật Ohm là $V = I times R$. Trong đó, $V$ là điện áp (Volt), đại diện cho năng lượng tiềm năng trên mỗi đơn vị điện tích, đo bằng Joules/Coulomb. $I$ là cường độ dòng điện (Ampere), biểu thị tốc độ di chuyển của điện tích, đo bằng Coulombs/giây. $R$ là điện trở (Ohm), là đại lượng cản trở dòng điện.
Mối quan hệ này cho thấy dòng điện tỷ lệ thuận với điện áp đặt vào và tỷ lệ nghịch với điện trở của vật liệu. Khi điện áp tăng, “lực đẩy” electron tăng, dẫn đến dòng điện lớn hơn. Khi điện trở tăng, vật liệu cản trở nhiều hơn, dẫn đến dòng điện nhỏ hơn.
2. Các Dạng Khác Của Định Luật Ohm
Để phù hợp với các mục đích phân tích khác nhau, Định luật Ohm có thể được biến đổi thành hai dạng khác. Cường độ dòng điện được tính bằng $I = frac{V}{R}$, được sử dụng phổ biến trong việc tính toán dòng điện qua một thành phần. Điện trở được tính bằng $R = frac{V}{I}$, thường được dùng để xác định giá trị của một điện trở cần thiết.
Ngoài ra, định luật này cũng là nền tảng để tính công suất điện tiêu thụ ($P$). Công thức cơ bản của công suất là $P = V times I$. Kết hợp với Định luật Ohm, ta có thể suy ra $P = I^2 times R$ hoặc $P = frac{V^2}{R}$. Điều này rất quan trọng trong quản lý nhiệt và lựa chọn linh kiện.
3. Giới Hạn Ứng Dụng Của Định Luật Ohm
Cần lưu ý rằng Định luật Ohm chỉ hoàn toàn chính xác đối với vật liệu Ohm, tức là các vật liệu có điện trở không đổi. Nhiều linh kiện điện tử hiện đại, như diode và transistor, là phi tuyến tính; điện trở của chúng thay đổi đáng kể theo điện áp hoặc dòng điện. Trong trường hợp này, Định luật Ohm vẫn được áp dụng ở dạng vi phân, hoặc sử dụng để mô tả trở kháng trong mạch xoay chiều (AC).
college circuits 1 kirchhoffs law v0 owuwr98539he1
III. Định Luật Kirchhoff Về Dòng Điện (KCL): Bảo Toàn Điện Tích
Định luật Kirchhoff về Dòng điện (KCL) là nguyên tắc đầu tiên trong hai định luật Kirchhoff, được phát triển bởi Gustav Kirchhoff. KCL dựa trên nguyên tắc bảo toàn điện tích và được áp dụng tại các nút (node) của mạch điện.
1. Nguyên Lý Cơ Bản Của KCL
KCL phát biểu rằng: Tổng đại số các dòng điện đi vào một nút phải bằng không. Một nút là điểm giao nhau của ba hoặc nhiều hơn các nhánh dẫn điện. Ý nghĩa vật lý là điện tích không thể tích tụ hoặc tiêu tán tại một nút giao trong điều kiện hoạt động ổn định.
Công thức của KCL được biểu diễn là $Sigma I{vào} = Sigma I{ra}$ hoặc $Sigma I_{nút} = 0$. Khi áp dụng công thức này, cần thiết lập một quy ước dấu nhất quán. Thường thì, dòng điện đi vào nút được coi là dương, và dòng điện đi ra được coi là âm, hoặc ngược lại.
2. Ứng Dụng Trong Phương Pháp Phân Tích Nút
KCL là nền tảng cho phương pháp phân tích nút (Nodal Analysis), một kỹ thuật mạnh mẽ để giải các mạch điện phức tạp. Trong phương pháp này, chúng ta gán các điện áp nút chưa biết cho từng nút độc lập trong mạch. Sau đó, áp dụng KCL tại mỗi nút, sử dụng Định luật Ohm để biểu diễn dòng điện qua các điện trở dưới dạng hiệu điện áp giữa các nút.
Quá trình này dẫn đến một hệ phương trình tuyến tính mà nghiệm của nó là các giá trị điện áp tại các nút. Việc tìm ra điện áp nút là bước then chốt, vì từ đó có thể dễ dàng tính toán dòng điện qua bất kỳ nhánh nào trong mạch. Phân tích nút đặc biệt hiệu quả cho các mạch có nhiều nguồn dòng và nhiều nhánh song song.
3. KCL Trong Hệ Thống Điện Thực Tế
Trong các hệ thống phân phối điện lớn, KCL được áp dụng tại mỗi trạm biến áp hoặc điểm kết nối để đảm bảo sự cân bằng tải. Nếu tổng dòng điện đi vào một điểm không bằng tổng dòng điện đi ra, điều đó chỉ ra một lỗi nghiêm trọng, chẳng hạn như rò rỉ điện hoặc sự cố đoản mạch. Kỹ sư sử dụng KCL để giám sát và kiểm soát dòng điện, đảm bảo lưới điện hoạt động ổn định và an toàn.
owuwr98539he1
IV. Định Luật Kirchhoff Về Điện Áp (KVL): Bảo Toàn Năng Lượng
Định luật Kirchhoff về Điện áp (KVL) là nguyên tắc thứ hai, dựa trên nguyên lý bảo toàn năng lượng trong mạch điện. KVL được áp dụng quanh các vòng (loop) kín của mạch.
1. Nguyên Lý Cơ Bản Của KVL
KVL phát biểu rằng: Tổng đại số các điện áp rơi (hoặc tăng) trên các phần tử trong bất kỳ vòng kín nào của mạch điện phải bằng không. Điều này có nghĩa là khi một điện tích di chuyển xung quanh một vòng lặp và quay trở lại điểm xuất phát, tổng năng lượng mà nó nhận được từ nguồn điện phải bằng tổng năng lượng mà nó tiêu thụ trên các thành phần khác.
Công thức của KVL được biểu diễn là $Sigma V_{vòng} = 0$. Khi áp dụng KVL, cần quy ước một chiều đi vòng (theo chiều kim đồng hồ hoặc ngược chiều kim đồng hồ) và xác định chiều tăng hay giảm của điện áp trên từng phần tử. Điện áp tăng khi đi qua nguồn từ cực âm sang cực dương. Điện áp giảm (rơi) khi đi qua điện trở theo chiều dòng điện.
2. Ứng Dụng Trong Phương Pháp Phân Tích Vòng
KVL là nền tảng cho phương pháp phân tích vòng (Mesh Analysis), một kỹ thuật giải mạch bổ sung cho phân tích nút. Phương pháp này đặc biệt hữu ích cho các mạch phẳng, không có các dây dẫn bắt chéo nhau. Trong phân tích vòng, chúng ta gán các dòng điện vòng chưa biết cho mỗi vòng độc lập trong mạch.
Áp dụng KVL cho mỗi vòng, dòng điện vòng được sử dụng để biểu diễn điện áp rơi trên các phần tử. Quá trình này cũng dẫn đến một hệ phương trình tuyến tính mà nghiệm của nó là các giá trị dòng điện vòng. Từ dòng điện vòng, có thể dễ dàng tìm ra dòng điện thực tế qua từng nhánh (là tổng đại số của các dòng điện vòng đi qua nhánh đó) và điện áp rơi trên từng linh kiện. Phân tích vòng thường hiệu quả hơn đối với các mạch có nhiều nguồn áp và ít nút.
3. Mối Liên Hệ Giữa KVL Và Thế Năng Điện
KVL là biểu hiện của tính chất bảo toàn thế năng điện. Trong mạch điện, điện áp đại diện cho sự chênh lệch thế năng điện. Việc tổng điện áp quanh một vòng kín bằng không cho thấy công thực hiện để di chuyển một điện tích đơn vị quanh vòng kín là bằng không. Điều này tương tự như việc đi lên rồi đi xuống cùng một khoảng cách, độ cao ròng thay đổi là bằng không. Sự hiểu biết này là rất quan trọng trong việc thiết kế mạch điện tử hiệu suất cao.
330px NortonEquivalentCircuits
V. Hệ Thống Hóa Các Định Luật Cơ Bản Trong Giải Mạch
Định luật Ohm, KCL, và KVL không hoạt động độc lập mà hợp thành một bộ công cụ tích hợp để giải quyết bất kỳ bài toán mạch điện nào. Sự kết hợp của chúng cho phép mô hình hóa hành vi của mạch một cách toán học.
1. Phân Tích Mạch Với Mạch Điện Trở Đơn Giản
Trong một mạch nối tiếp, KVL giúp chúng ta xác định tổng điện áp rơi bằng tổng điện áp nguồn. Điện trở tương đương được tính bằng tổng các điện trở thành phần. Trong mạch song song, KCL được áp dụng để xác định tổng dòng điện chia nhánh. Điện trở tương đương lại được tính theo công thức nghịch đảo phức tạp hơn.
Sự kết hợp của cả ba định luật là điều cần thiết ngay cả trong các cấu hình đơn giản nhất. Ví dụ, sau khi tính được điện trở tương đương, Định luật Ohm được dùng để tìm tổng dòng điện. Sau đó, KVL được dùng để kiểm tra sự phân bố điện áp, và KCL được dùng để xác tra sự chia dòng (Current Divider Rule) tại các nhánh.
2. Các Định Lý Giải Mạch Nâng Cao
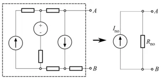
Các định luật cơ bản cũng là cơ sở để phát triển các định lý giải mạch nâng cao, giúp đơn giản hóa việc phân tích các mạch phức tạp. Hai định lý nổi bật là Định lý Thevenin và Định lý Norton.
Định lý Thevenin cho phép thay thế bất kỳ mạng điện trở phức tạp nào bằng một mạch tương đương đơn giản. Mạch này chỉ bao gồm một nguồn điện áp Thevenin ($V{th}$) nối tiếp với một điện trở Thevenin ($R{th}$). $V{th}$ chính là điện áp hở mạch giữa hai điểm đầu ra. $R{th}$ là điện trở tương đương khi tất cả nguồn độc lập bị tắt (nguồn áp ngắn mạch, nguồn dòng hở mạch).
Tương tự, Định lý Norton cho phép thay thế mạng điện bằng một nguồn dòng Norton ($I{N}$) mắc song song với điện trở Norton ($R{N}$). $I_{N}$ là dòng điện ngắn mạch giữa hai điểm đầu ra. Việc sử dụng các định lý này giúp giảm đáng kể số lượng phương trình cần giải, đặc biệt quan trọng trong các bài toán thiết kế mạch lớn.
VI. Ứng Dụng Thực Tế Chuyên Sâu Của Các Định Luật
Khả năng áp dụng thành thạo các định luật cơ bản của mạch điện là kỹ năng phân biệt giữa một người học lý thuyết và một kỹ sư thực thụ. Ứng dụng của chúng trải dài từ thiết bị gia dụng hàng ngày đến các hệ thống công nghiệp phức tạp.
1. Thiết Kế Bảng Mạch In (PCB)
Trong thiết kế PCB, các định luật này đóng vai trò quyết định trong việc đảm bảo tính toàn vẹn tín hiệu (Signal Integrity) và quản lý nguồn điện (Power Management). Kỹ sư phải tính toán chính xác dòng điện tối đa qua mỗi đường dẫn (trace) trên PCB bằng Định luật Ohm để tránh quá nhiệt và làm hỏng mạch. KCL được sử dụng để đảm bảo sự phân phối dòng điện hợp lý tại các điểm chia, chẳng hạn như khi nguồn điện phải cấp cho nhiều chip khác nhau.
Đồng thời, KVL được áp dụng để kiểm tra sụt áp (Voltage Drop) trên các đường dẫn. Sụt áp quá lớn có thể làm giảm hiệu suất của các linh kiện nhạy cảm, đặc biệt là các chip hoạt động ở điện áp thấp. Việc này đòi hỏi sự tính toán tỉ mỉ để chọn đúng chiều rộng và độ dày của đường dẫn.
2. Phân Tích Và Khắc Phục Sự Cố Hệ Thống Điện
Trong lĩnh vực bảo trì và sửa chữa, các định luật cơ bản là công cụ chẩn đoán không thể thay thế. Khi một thiết bị không hoạt động, kỹ sư sử dụng đồng hồ vạn năng để đo điện áp (V) và dòng điện (I) tại các điểm then chốt. Dựa trên Định luật Ohm, họ có thể tính toán điện trở (R) thực tế của một linh kiện và so sánh nó với giá trị danh định. Nếu $R$ thực tế quá khác biệt, linh kiện đó có thể bị hỏng (chẳng hạn, đoản mạch có $R approx 0$ hoặc hở mạch có $R approx infty$).
KVL và KCL giúp khoanh vùng lỗi. Nếu tổng điện áp quanh một vòng không bằng 0 (vi phạm KVL), điều đó chỉ ra có một nguồn điện áp bị mất hoặc một thành phần bị hở mạch. Tương tự, nếu dòng điện tại một nút không cân bằng (vi phạm KCL), có thể có một sự rò rỉ dòng điện không mong muốn.
3. Mô Hình Hóa Và Mô Phỏng Mạch
Phần mềm mô phỏng mạch như LTSpice hoặc MATLAB/Simulink sử dụng các định luật cơ bản làm nền tảng toán học để giải hệ phương trình của mạch. Người dùng thiết lập mô hình mạch, và phần mềm tự động áp dụng KCL và KVL tại tất cả các nút và vòng. Việc hiểu sâu về các định luật này cho phép kỹ sư kiểm tra tính hợp lý của kết quả mô phỏng và tinh chỉnh mô hình để đạt độ chính xác cao nhất, từ đó rút ngắn thời gian phát triển sản phẩm.
VII. Mở Rộng: Điện Trở, Độ Dẫn, Và Ứng Dụng Khác
Để có cái nhìn toàn diện hơn về các định luật cơ bản của mạch điện, cần xem xét các khái niệm liên quan như độ dẫn điện và sự khác biệt giữa các loại mạch điện.
1. Độ Dẫn Điện Và Điện Trở Suất
Bên cạnh điện trở ($R$), độ dẫn điện ($G$) là một đại lượng vật lý quan trọng, là nghịch đảo của điện trở ($G = 1/R$). Đơn vị của độ dẫn là Siemens (S) hoặc Mho ($mho$). Định luật Ohm cũng có thể được viết lại dưới dạng $I = V times G$. Độ dẫn thể hiện khả năng cho dòng điện chạy qua vật liệu.
Điện trở còn liên quan đến các đặc tính vật lý của vật liệu qua điện trở suất ($rho$) và chiều dài ($L$) cùng diện tích mặt cắt ngang ($A$) của vật dẫn. Công thức $R = rho frac{L}{A}$ cho thấy điện trở không chỉ là một giá trị cố định mà còn phụ thuộc vào hình học của vật dẫn.
2. Phân Tích Mạch Tĩnh Và Mạch Động
Các định luật Ohm và Kirchhoff, như đã trình bày, chủ yếu được áp dụng trong phân tích mạch tĩnh (DC steady-state). Trong các mạch có tụ điện và cuộn cảm (mạch động), dòng điện và điện áp thay đổi theo thời gian. Trong trường hợp này, các định luật vẫn được duy trì, nhưng các mối quan hệ được biểu diễn dưới dạng phương trình vi phân.
Ví dụ, Định luật Ohm cho tụ điện được thay bằng $I = C frac{dV}{dt}$, và cho cuộn cảm là $V = L frac{dI}{dt}$. KCL và KVL vẫn được áp dụng, nhưng tổng đại số của các dòng điện/điện áp sẽ bao gồm các thuật ngữ vi phân này. Điều này mở rộng phạm vi ứng dụng của các định luật cơ bản sang phân tích đáp ứng tần số và thiết kế mạch lọc.
Việc diễn đạt các công thức và khái niệm khoa học một cách rõ ràng là điều cần thiết. Đây cũng là lý do tại sao nhiều thuật ngữ và công thức toán học tiếng anh được sử dụng rộng rãi, giúp chuẩn hóa ngôn ngữ trong các lĩnh vực kỹ thuật và khoa học trên toàn cầu.
Kết luận, các định luật cơ bản của mạch điện không chỉ là công thức đơn thuần mà là những nguyên lý vật lý sâu sắc, là nền tảng để xây dựng mọi công nghệ điện tử hiện đại. Từ Định luật Ohm mô tả mối quan hệ tuyến tính cơ bản, đến KCL và KVL củng cố nguyên tắc bảo toàn điện tích và năng lượng, chúng tạo nên một hệ thống logic hoàn chỉnh cho việc phân tích mạch điện. Việc nắm vững và áp dụng thành thạo những nguyên tắc này là điều kiện then chốt để bất kỳ kỹ sư nào cũng có thể tự tin thiết kế, phân tích, và khắc phục sự cố trong mọi hệ thống điện tử từ đơn giản đến phức tạp, đảm bảo sự chính xác, hiệu suất và độ tin cậy.
Ngày cập nhật 18/12/2025 by Nguyễn Nghĩa
