Việc đọc hiểu sơ đồ mạch điện là kỹ năng nền tảng đối với mọi kỹ sư và kỹ thuật viên. Để thành thạo kỹ năng này, việc nắm vững các ký hiệu trong sơ đồ mạch điện là điều bắt buộc. Những ký hiệu này là ngôn ngữ tiêu chuẩn hóa, cho phép các chuyên gia truyền đạt cấu trúc và chức năng của hệ thống điện một cách chính xác. Chúng ta cần hiểu rõ các tiêu chuẩn quốc tế (IEC, ANSI) chi phối việc biểu diễn các thành phần. Sự chuẩn hóa này cực kỳ quan trọng, đặc biệt khi làm việc với các hệ thống phức tạp như thiết bị điện tử và điện công nghiệp. Bài viết này sẽ đi sâu vào từng nhóm ký hiệu, giúp người đọc nắm vững cách đọc và áp dụng chúng vào thực tế.
Tầm Quan Trọng Của Việc Nắm Vững Ký Hiệu Sơ Đồ Mạch Điện
Sơ đồ mạch điện là bản thiết kế chi tiết cho việc lắp đặt và vận hành hệ thống. Nếu không hiểu rõ ký hiệu, việc thực hiện sẽ dễ dẫn đến sai sót nghiêm trọng. Ký hiệu điện giúp kỹ sư xác định chính xác chức năng của từng linh kiện.
Vai Trò Trong Thiết Kế Và Lắp Đặt
Ký hiệu tạo ra một ngôn ngữ chung cho các chuyên gia trên toàn thế giới. Chúng giúp biểu diễn các thành phần phức tạp thành hình học đơn giản. Điều này làm giảm đáng kể rủi ro nhầm lẫn trong quá trình thiết kế. Khi lắp đặt, thợ điện dựa vào các ký hiệu để định vị và kết nối dây dẫn đúng cách.
Đảm Bảo An Toàn Và Bảo Trì
Hệ thống điện yêu cầu bảo trì định kỳ và sửa chữa khẩn cấp. Sơ đồ mạch điện chính xác là công cụ chẩn đoán quan trọng. Khi xảy ra sự cố, kỹ thuật viên dùng các ký hiệu để truy vết lỗi nhanh chóng. Việc này giúp giảm thời gian chết và đảm bảo an toàn vận hành.
Tính Thống Nhất Theo Tiêu Chuẩn Quốc Tế
Ngành điện sử dụng nhiều tiêu chuẩn ký hiệu khác nhau. Hai tiêu chuẩn phổ biến nhất là IEC (Ủy ban Kỹ thuật Điện Quốc tế) và ANSI (Viện Tiêu chuẩn Quốc gia Hoa Kỳ). Việc tuân thủ một tiêu chuẩn cụ thể giúp đảm bảo tính thống nhất. Điều này đặc biệt quan trọng trong các dự án hợp tác quốc tế hoặc sử dụng linh kiện đa quốc gia.
Các Ký Hiệu Cơ Bản Trong Mạch Điện
Mọi sơ đồ điện, dù đơn giản hay phức tạp, đều được xây dựng từ một tập hợp các ký hiệu cơ bản. Nắm vững nhóm này là bước đầu tiên để giải mã sơ đồ.
Ký Hiệu Nguồn Cấp Và Dây Dẫn
Nguồn cấp là nơi năng lượng đi vào mạch. Dây dẫn là phương tiện truyền tải. Ký hiệu dây dẫn đơn giản là một đường thẳng. Điểm giao nhau có chấm đen biểu thị kết nối điện. Đường giao nhau không có chấm biểu thị dây vượt qua nhau mà không tiếp xúc.
Nguồn cấp DC thường được biểu thị bằng hai đường song song, một dài (cực dương) và một ngắn (cực âm). Nguồn cấp AC được biểu thị bằng vòng tròn có ký hiệu sin sóng bên trong. Ký hiệu nối đất (Ground) là biểu tượng ba gạch ngang giảm dần.
Ký Hiệu Điện Trở Và Tụ Điện
Điện trở là thành phần giới hạn dòng điện. Ký hiệu phổ biến là hình zigzag (theo chuẩn ANSI). Chuẩn IEC thường dùng hình chữ nhật đơn giản. Biến trở (Resistor variable) có thêm một mũi tên đi qua hoặc mũi tên chỉ vào cạnh điện trở.
Tụ điện dùng để tích trữ năng lượng điện. Tụ không phân cực (Non-polarized capacitor) được biểu thị bằng hai đường thẳng song song cách nhau. Tụ phân cực (Polarized capacitor) có thêm dấu cộng ở một cực, thường là cực dương.
Ký Hiệu Cuộn Cảm Và Biến Áp
Cuộn cảm (Inductor) là cuộn dây dùng để tạo từ trường. Nó được biểu thị bằng một loạt vòng cung liên tiếp, giống như cuộn dây. Cuộn cảm lõi sắt có thêm hai đường thẳng song song bên trên ký hiệu cuộn dây.
Máy biến áp (Transformer) gồm hai hoặc nhiều cuộn cảm đặt gần nhau. Nó thường được biểu thị bằng hai cuộn dây cách nhau bởi hai đường thẳng. Các đường thẳng này đại diện cho lõi sắt hoặc lõi ferit.
Ký Hiệu Thiết Bị Đóng Cắt Và Bảo Vệ
Các thiết bị đóng cắt kiểm soát dòng điện. Cầu chì (Fuse) là thiết bị bảo vệ, thường được vẽ dưới dạng hình chữ nhật hoặc đường ziczac bị cắt ngang. Cầu chì sẽ cháy khi dòng điện vượt quá giới hạn an toàn.
Công tắc đơn (Single pole switch) được biểu thị bằng hai điểm tiếp xúc bị ngắt quãng bởi một cần gạt. Aptomat (Circuit breaker) có ký hiệu tương tự công tắc nhưng có thêm cơ chế ngắt tự động khi quá tải hoặc ngắn mạch.
Phân Loại Ký Hiệu Điện Dân Dụng
Sơ đồ điện dân dụng tập trung vào hệ thống chiếu sáng, ổ cắm và thiết bị gia dụng. Ký hiệu trong lĩnh vực này cần dễ nhận biết cho cả kỹ sư và thợ lắp đặt.
Ký Hiệu Công Tắc Và Điều Khiển
Công tắc được dùng để bật/tắt thiết bị. Ký hiệu công tắc đơn là phổ biến nhất. Công tắc hai cực (Double-pole switch) được dùng cho các mạch cần ngắt cả dây nóng và dây nguội. Công tắc ba hoặc bốn chiều dùng để điều khiển thiết bị từ nhiều vị trí khác nhau.
Các thiết bị điều khiển khác như Dimmer (Bộ điều chỉnh độ sáng) thường được ký hiệu bằng công tắc có mũi tên chéo. Nút nhấn (Push button) được dùng cho các mạch điều khiển tức thời, thường gặp trong chuông cửa.
Ký Hiệu Thiết Bị Tiêu Thụ Điện
Đèn điện có nhiều loại ký hiệu. Đèn sợi đốt thường là hình tròn với chữ X bên trong. Đèn huỳnh quang được biểu thị bằng hình chữ nhật dài. Ổ cắm (Receptacle) có ký hiệu hình tròn với các thanh ngang bên trong.
Ký hiệu quạt điện (Fan) thường là hình tròn có cánh quạt mô phỏng. Bếp điện hoặc lò điện thường được ký hiệu bằng hình chữ nhật có lò xo nhiệt bên trong.
Bảng tổng hợp các ký hiệu trong sơ đồ mạch điện tiêu chuẩn dùng cho lắp đặt dân dụng
Phân Tích Ba Loại Sơ Đồ Dân Dụng
Trong lắp đặt dân dụng, người ta sử dụng ba loại sơ đồ chính để phục vụ các mục đích khác nhau. Mỗi loại sơ đồ giúp làm rõ một khía cạnh cụ thể của hệ thống điện.
Sơ đồ Nguyên Lý
Sơ đồ nguyên lý chỉ ra mối quan hệ chức năng giữa các thiết bị. Nó giải thích cách mạch điện hoạt động mà không quan tâm đến vị trí vật lý. Sơ đồ này cực kỳ quan trọng cho việc nghiên cứu và phân tích chức năng mạch. Ví dụ điển hình là mạch điều khiển một bóng đèn bằng một công tắc đơn.
Ví dụ về sơ đồ nguyên lý mạch điện dân dụng với các ký hiệu điện cơ bản
Sơ đồ Đi Dây
Sơ đồ đi dây (Wiring Diagram) cho biết cách các thiết bị được kết nối vật lý. Nó giúp phân biệt các thiết bị giống nhau khi chúng được lắp đặt gần nhau. Sơ đồ này là hướng dẫn trực quan để thợ điện tiến hành đấu nối chính xác. Nó cũng hữu ích trong việc tính toán chiều dài dây và ống dẫn.
Sơ đồ Đơn Tuyến
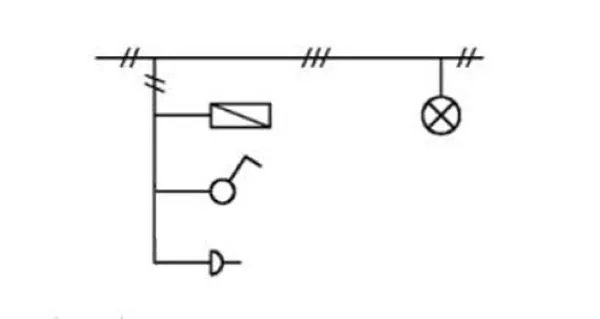
Sơ đồ đơn tuyến (Single-line Diagram) mô phỏng số lượng dây dẫn thực tế và vị trí của thiết bị. Nó là sự kết hợp giữa sơ đồ nguyên lý và sơ đồ đi dây. Số lượng dây dẫn được biểu thị bằng các dấu gạch chéo trên đường dây. Đây là sơ đồ thiết yếu để tính toán tải và đảm bảo công suất phù hợp.
Sơ đồ nguyên lý và đi dây chi tiết, minh họa các ký hiệu trong sơ đồ mạch điện dân dụng
Phân Tích Ký Hiệu Trong Sơ Đồ Mạch Điện Công Nghiệp
Điện công nghiệp đòi hỏi độ phức tạp và độ tin cậy cao hơn. Các ký hiệu trong mạch công nghiệp tập trung vào điều khiển tự động và bảo vệ động cơ. Kỹ sư phải thông thạo các ký hiệu này để thiết kế hệ thống tự động hóa.
Ký Hiệu Thiết Bị Điều Khiển
Rơ-le (Relay) là linh kiện điều khiển bằng điện. Cuộn dây rơ-le thường được ký hiệu bằng hình vuông hoặc hình tròn với chữ cái bên trong. Các tiếp điểm (Contacts) liên quan đến rơ-le được đặt ở vị trí khác trên sơ đồ. Tiếp điểm thường mở (NO) và thường đóng (NC) phải được phân biệt rõ ràng.
Contactor (Khởi động từ) về cơ bản là một rơ-le công suất lớn. Nó dùng để đóng cắt các mạch động lực có dòng tải cao. Rơ-le nhiệt (Thermal Overload Relay) được dùng để bảo vệ động cơ khỏi quá tải nhiệt. Ký hiệu của nó thường là một hình cong với cơ chế ngắt mạch đi kèm.
Ký Hiệu Động Cơ Và Máy Phát
Động cơ (Motor) là thiết bị biến đổi điện năng thành cơ năng. Động cơ một chiều (DC Motor) thường được ký hiệu bằng hình tròn với chữ M bên trong và các cuộn dây kích từ. Động cơ ba pha không đồng bộ (AC Induction Motor) là loại phổ biến nhất trong công nghiệp. Nó được ký hiệu bằng chữ M có thêm số 3 bên cạnh.
Máy phát điện (Generator) được ký hiệu bằng chữ G bên trong hình tròn. Máy phát điện đồng bộ (Synchronous Generator) được sử dụng rộng rãi trong các nhà máy điện. Việc xác định đúng loại động cơ và máy phát qua ký hiệu giúp kỹ sư tính toán tải và bảo vệ chính xác.
Ký hiệu các thiết bị điện và đèn chiếu sáng trong các ký hiệu trong sơ đồ mạch điện công nghiệp
Ký Hiệu Thiết Bị Bảo Vệ
Bên cạnh cầu chì, các thiết bị bảo vệ chuyên dụng khác cũng rất quan trọng. Máy cắt (Breaker) trung/cao thế có cấu tạo phức tạp hơn aptomat hạ thế. Dao cách ly (Disconnector Switch) dùng để cô lập thiết bị khỏi nguồn điện khi bảo trì. Ký hiệu của dao cách ly thường là một công tắc đơn giản nhưng không có khả năng cắt dòng tải.
Thiết bị chống sét (Surge Arrester) được dùng để bảo vệ hệ thống khỏi quá áp do sét đánh. Ký hiệu này thường là một đường thẳng đi vào hộp hình chữ nhật, sau đó nối đất.
Ký hiệu các thiết bị đóng cắt, cầu dao, và bảo vệ mạch điện theo tiêu chuẩn kỹ thuật
Ứng Dụng Cụ Thể Trong Sơ Đồ Công Nghiệp
Sơ đồ mạch điện công nghiệp thường bao gồm mạch động lực (Power Circuit) và mạch điều khiển (Control Circuit).
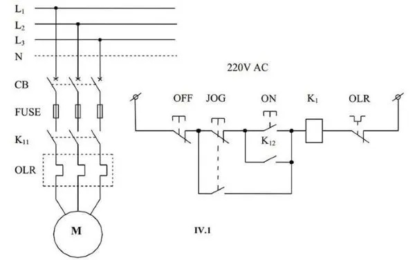
Sơ đồ Mạch Đảo Chiều Động Cơ 3 Pha
Mạch này cho phép động cơ quay theo hai chiều. Nó sử dụng hai contactor đối xứng nhau để đổi thứ tự pha cấp vào động cơ. Các khóa liên động (Interlocks) cơ khí và điện tử là bắt buộc. Khóa liên động giúp ngăn chặn hai contactor đóng cùng lúc. Điều này tránh gây ra ngắn mạch nguy hiểm.
Sơ đồ nguyên lý mạch đảo chiều động cơ 3 pha, minh họa các contactor và rơ-le nhiệt
Sơ đồ Mạch Khởi Động Sao – Tam Giác
Phương pháp khởi động Sao – Tam giác (Star-Delta starting) được dùng để giảm dòng khởi động cho động cơ cảm ứng ba pha. Ban đầu, động cơ được nối sao (điện áp thấp hơn). Sau một thời gian, rơ-le thời gian sẽ chuyển động cơ sang nối tam giác (điện áp định mức). Sơ đồ này yêu cầu ít nhất ba contactor và một rơ-le thời gian.
Mạch Điện Khởi Động Có Thử Nháp
Mạch khởi động có thử nháp (Jogging Circuit) cho phép động cơ quay một quãng ngắn. Chế độ này thường dùng để kiểm tra hướng quay hoặc định vị cơ khí. Nó sử dụng một nút nhấn riêng biệt để bypass (vượt qua) mạch giữ (latch circuit). Điều này đảm bảo động cơ chỉ hoạt động khi nút nhấn còn được giữ.
các ký hiệu trong sơ đồ mạch điện khởi động động cơ ba pha có chế độ thử nháp
Mạch Tự Động Giới Hạn Hành Trình
Mạch này thường ứng dụng trong hệ thống băng tải hoặc cửa tự động. Nó sử dụng công tắc hành trình (Limit Switch) để xác định vị trí cuối của chuyển động. Khi công tắc hành trình bị tác động, mạch điều khiển sẽ tự động ngắt động cơ hoặc đảo chiều quay.
Minh họa sơ đồ đơn tuyến cho hệ thống điện, sử dụng ký hiệu gạch chéo để biểu thị số lượng dây dẫn
Ký Hiệu Linh Kiện Bán Dẫn Và Điện Tử Đặc Trưng
Trong sơ đồ mạch điện tử, các ký hiệu linh kiện bán dẫn là cốt lõi. Đây là những thiết bị có khả năng điều khiển dòng điện tinh vi.
Ký Hiệu Diode Và Transistor
Diode chỉ cho phép dòng điện chạy theo một chiều. Ký hiệu diode chuẩn là một tam giác tiếp xúc với một đường thẳng. Diode Zener có khả năng ổn áp, được ký hiệu tương tự nhưng có thêm đoạn gấp khúc ở đầu đường thẳng.
Transistor là thiết bị khuếch đại hoặc chuyển mạch. Transistor lưỡng cực (BJT) có ba chân: Cực Gốc (Base), Cực Phát (Emitter) và Cực Thu (Collector). Ký hiệu BJT có một mũi tên trên cực phát chỉ ra loại transistor (NPN hoặc PNP). Transistor hiệu ứng trường (FET) có ký hiệu khác, tập trung vào cực cổng (Gate) điều khiển kênh dẫn.
Ký Hiệu Mạch Tích Hợp
Mạch tích hợp (IC) là tập hợp của nhiều linh kiện trong một chip. Thay vì vẽ hàng trăm transistor, IC được biểu thị bằng một hình chữ nhật lớn. Các chân (Pins) được đánh số và đặt tên chức năng.
Các cổng Logic (Logic Gates) là thành phần cơ bản của điện tử số. Cổng AND, OR, NOT đều có ký hiệu hình học riêng biệt. Ví dụ, cổng AND có hình chữ D, cổng OR có hình vòng cung. Ký hiệu mạch tích hợp khuếch đại thuật toán (Op-Amp) thường là một tam giác với hai đầu vào và một đầu ra.
Bảng Tra Cứu Ký Hiệu Bằng Chữ Cái (Designation Letters)
Bên cạnh ký hiệu hình ảnh, các ký hiệu bằng chữ cái (chữ viết tắt) đóng vai trò định danh linh kiện. Đây là tiêu chuẩn được quy định chủ yếu bởi IEC 61346 và ANSI/IEEE 315.
| Ký hiệu | Tên gọi | Chức năng (Theo IEC/ANSI) |
|---|---|---|
| A | Tập hợp con, Mạch tích hợp | Bộ khuếch đại, IC, Mô-đun chức năng |
| B | Bộ chuyển đổi năng lượng không điện | Cảm biến, đầu dò, Thermocouple, Quang trở |
| C | Tụ điện | Tụ điện trong mạch lọc, tích năng lượng |
| D | Linh kiện bán dẫn | Diode, Thyristor, Diac, Triac |
| E | Các thiết bị khác | Thiết bị sưởi ấm, Chiếu sáng (trừ đèn tín hiệu) |
| F | Thiết bị bảo vệ | Cầu chì (Fuse), Bộ ngắt mạch (Circuit Breaker) |
| G | Máy phát điện | Máy phát điện, Ắc quy (nguồn điện áp) |
| H | Thiết bị báo hiệu | Đèn báo (Pilot Light), Còi (Buzzer) |
| K | Rơ-le, Contactor | Rơ-le điều khiển, Contactor mạch động lực |
| L | Cuộn cảm, Cuộn kháng | Cuộn kháng, Lõi từ |
| M | Động cơ | Động cơ điện một chiều hoặc xoay chiều |
| N | Tên gọi chung | Các linh kiện điện tử khác không nằm trong nhóm chính |
| P | Thiết bị đo lường | Đồng hồ đo (Ammeter, Voltmeter), Bộ ghi |
| Q | Thiết bị chuyển mạch cơ khí | Máy cắt trung/cao thế, Dao cách ly |
| R | Điện trở | Điện trở cố định, Biến trở, Điện trở nhiệt |
| S | Công tắc | Công tắc điều khiển, Nút nhấn, Công tắc hành trình |
| T | Máy biến áp | Biến áp, Máy biến dòng, Máy biến áp điện áp |
| U | Bộ chuyển đổi, Bộ điều chế | Bộ điều chỉnh tần số, Bộ chuyển đổi DC/DC |
| V | Linh kiện điện tử dạng ống chân không | Không còn phổ biến, thường dùng trong thiết bị cũ |
| W | Dây dẫn, Đường truyền | Cáp, Busbars |
| X | Đầu nối, Thiết bị đấu dây | Hộp đấu dây, Cầu đấu (Terminal Block) |
| Y | Thiết bị cơ học vận hành bằng điện | Van điện từ (Solenoid Valve), Nam châm điện |
| Z | Bộ lọc, Bộ hạn chế | Bộ lọc tiếng ồn, Bộ lọc EMI |
Các ký hiệu chữ cái này giúp phân biệt rõ ràng các thành phần ngay cả khi sơ đồ chỉ sử dụng một đường đơn tuyến. Ví dụ, chữ K thường đại diện cho Contactor (Khởi động từ). Chữ F đại diện cho Fuse (Cầu chì) hoặc Breaker (Bộ ngắt mạch). Việc sử dụng chữ cái giúp kỹ sư dễ dàng lập danh sách vật tư và tham chiếu đến tài liệu kỹ thuật.
Nắm vững các ký hiệu trong sơ đồ mạch điện là chìa khóa để tiến vào thế giới kỹ thuật điện. Từ những ký hiệu cơ bản như điện trở và nguồn cấp, đến những ký hiệu phức tạp của rơ-le và thiết bị bán dẫn. Sự am hiểu này không chỉ đảm bảo độ chính xác trong thiết kế và lắp đặt mà còn nâng cao tính an toàn và hiệu quả trong bảo trì. Bằng cách tuân thủ các tiêu chuẩn quốc tế, bạn có thể tự tin đọc hiểu và triển khai bất kỳ dự án điện nào, từ dân dụng đơn giản đến hệ thống điện công nghiệp phức tạp.
Ngày cập nhật 06/12/2025 by Nguyễn Nghĩa
