Top 10 dự án mạch điện tử đơn giản dành cho người yêu công nghệ là nguồn cảm hứng tuyệt vời để bạn bắt đầu khám phá thế giới điện tử. dù bạn là người mới học hay đã có kinh nghiệm, những dự án này giúp luyện tập kỹ năng lắp ráp, hàn mạch, và hiểu rõ nguyên lý hoạt động của linh kiện điện tử. với các dự án thiết thực, dễ thực hiện, bạn không chỉ nâng cao kiến thức mà còn có thể tự tay tạo ra các thiết bị thú vị, từ đèn LED nhấp nháy, còi báo, đến bộ điều khiển mini cho các ứng dụng gia đình hay học tập.
1. Mạch Đèn LED Nhấp Nháy
Đây là dự án cơ bản nhất, giúp bạn hiểu về cách hoạt động của đèn LED và nguyên lý mạch điện đơn giản. Bạn sẽ học cách sử dụng điện trở để điều chỉnh dòng điện và tạo hiệu ứng nhấp nháy cho đèn LED.

Yêu cầu:
- Đèn LED
- Điện trở
- Nguồn điện (pin)
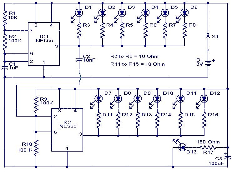
2. Mạch Đèn LED Chạy (LED Chaser)
Dự án này giúp bạn tạo hiệu ứng đèn LED chạy tuần tự, thường thấy trong các bảng quảng cáo. Bạn sẽ sử dụng IC 4017 và IC 555 để điều khiển chuỗi đèn LED.

Yêu cầu:
- IC 4017
- IC 555
- Đèn LED
- Điện trở và tụ điện
3. Mạch Cảm Biến Ánh Sáng
Mạch này sử dụng cảm biến quang (LDR) để phát hiện mức độ ánh sáng và điều khiển đèn LED bật/tắt tương ứng. Bạn sẽ học cách sử dụng transistor như một công tắc điện tử.
Yêu cầu:
- LDR (Light Dependent Resistor)
- Transistor
- Đèn LED
- Điện trở
4. Mạch Báo Động Khi Có Chuyển Động
Dự án này giúp bạn tạo một hệ thống báo động đơn giản khi phát hiện chuyển động, sử dụng cảm biến PIR và còi báo.

Yêu cầu:
- Cảm biến PIR (Passive Infrared Sensor)
- Còi báo (Buzzer)
- Nguồn điện
5. Mạch Điều Khiển Tốc Độ Động Cơ DC
Bạn sẽ học cách điều chỉnh tốc độ của động cơ DC bằng cách sử dụng biến trở (potentiometer) và transistor.
Yêu cầu:
- Động cơ DC
- Biến trở
- Transistor
- Điện trở
6. Mạch Sạc Pin Đơn Giản
Dự án này giúp bạn tạo một mạch sạc pin đơn giản, sử dụng diode và điện trở để kiểm soát dòng sạc.
Yêu cầu:
- Diode
- Điện trở
- Nguồn điện
- Pin sạc
7. Mạch Khuếch Đại Âm Thanh Đơn Giản
Bạn sẽ học cách khuếch đại tín hiệu âm thanh nhỏ bằng cách sử dụng IC khuếch đại âm thanh (như LM386).
Yêu cầu:
- IC LM386
- Loa nhỏ
- Tụ điện và điện trở
8. Mạch Đo Nhiệt Độ Với Cảm Biến Nhiệt
Dự án này sử dụng cảm biến nhiệt độ (như LM35) để đo nhiệt độ và hiển thị kết quả trên màn hình LED hoặc LCD.
Yêu cầu:
- Cảm biến nhiệt độ LM35
- Màn hình hiển thị (LED hoặc LCD)
- Vi điều khiển (như Arduino)
9. Mạch Hẹn Giờ Tắt/Mở Thiết Bị Điện
Bạn sẽ tạo một mạch hẹn giờ đơn giản để tắt/mở thiết bị điện sau một khoảng thời gian xác định, sử dụng IC 555 trong chế độ monostable.
Yêu cầu:
- IC 555
- Relay
- Điện trở và tụ điện
10. Mạch Đếm Số Lần Nhấn Nút
Dự án này giúp bạn tạo một bộ đếm số lần nhấn nút, sử dụng IC 4026 và một màn hình 7 đoạn để hiển thị kết quả.

Yêu cầu:
- IC 4026
- Màn hình 7 đoạn
- Nút nhấn
- Điện trở
Lưu ý: Khi thực hiện các dự án trên, hãy luôn tuân thủ các nguyên tắc an toàn điện và đảm bảo bạn hiểu rõ nguyên lý hoạt động của từng linh kiện. Việc thực hành với các mạch điện tử đơn giản không chỉ giúp bạn củng cố kiến thức mà còn mở rộng khả năng sáng tạo trong lĩnh vực công nghệ.
Ngày cập nhật 03/12/2025 by Nguyễn Nghĩa
